
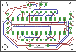
I made a driver board for the max7219 LED matrix driver
Check it out here: http://spencerlarkin.com/sites/spencer/Files/MAX7219Driver.zip

I made a driver board for the max7219 LED matrix driver
Check it out here: http://spencerlarkin.com/sites/spencer/Files/MAX7219Driver.zip